Магазин запчастей для бытовой техники - Arlos
Москва
close
Выберите ваш регион
АбаканАлександровАльметьевскАнгарскАрзамасАрмавирАртемАрхангельскАстраханьАчинскБалаковоБалашихаБеларусьБелгородБердскБерезникиБийскБлаговещенскБратскБрянскВеликий НовгородВидноеВладивостокВладикавказВладимирВолгоградВолгодонскВолжскийВологдаВолховВоркутаВоронежВоскресенскВыборгГатчинаГеленджикГрозныйДедовскДербентДзержинскДзержинскийДимитровградДмитровДолгопрудныйДомодедовоДонецкЕвпаторияЕгорьевскЕкатеринбургЕлецЕссентукиЖелезногорскЖелезнодорожныйЖуковскийЗеленоградЗлатоустИвановоИвантеевкаИжевскИркутскИстраЙошкар-ОлаКазаньКалининградКалугаКаменск-УральскийКамышинКаспийскКемеровоКерчьКировКисловодскКлинКовровКоломнаКомсомольск-на-АмуреКопейскКоролёвКостромаКотельникиКрасногорскКраснодарКраснознаменскКрасноярскКурганКурскКызылЛенинск-КузнецкийЛипецкЛобняЛыткариноЛюберцыМагнитогорскМайкопМалаховкаМахачкалаМиассМоскваМурманскМуромМытищиНабережные ЧелныНазраньНальчикНаро-ФоминскНахабиноНаходкаНевинномысскНефтекамскНефтеюганскНижневартовскНижнекамскНижний НовгородНижний ТагилНовокузнецкНовокуйбышевскНовомосковскНовороссийскНовосибирскНовоуральскНовочебоксарскНовочеркасскНовошахтинскНовый УренгойНогинскНорильскНоябрьскОбнинскОдинцовоОктябрьскийОмскОрелОренбургОрехово-ЗуевоОрскПавловский ПосадПензаПервоуральскПермьПетрозаводскПетропавловск-КамчатскийПодольскПрокопьевскПсковПушкиноПятигорскРаменскоеРеутовРостов-на-ДонуРубцовскРыбинскРязаньСакиСалаватСамараСанкт-ПетербургСаранскСаратовСевастопольСеверодвинскСеверскСергиев ПосадСерпуховСимферопольСмоленскСосновый БорСочиСтавропольСтарый ОсколСтерлитамакСтупиноСургутСызраньСыктывкарТаганрогТамбовТверьТихвинТольяттиТомилиноТомскТроицкТулаТюменьУлан-УдэУльяновскУссурийскУсть-ИлимскУфаУхтаФеодосияФрязиноХабаровскХанты-МансийскХасавюртХимкиЧебоксарыЧелябинскЧереповецЧеркесскЧеховЧитаШахтыЩелковоЭлектростальЭлистаЭнгельсЮжно-СахалинскЯкутскЯлтаЯрославль
  • - бесплатно по РФ
    Автоперезвон. Работает по принципу: Вы позвонили на номер, мы сбрасываем звонок и перезваниваем через 3 секунды.
  • - по Москве
  • 8 (925) 663-83-63

Call-центр

пн-вс: 10:00-19:00

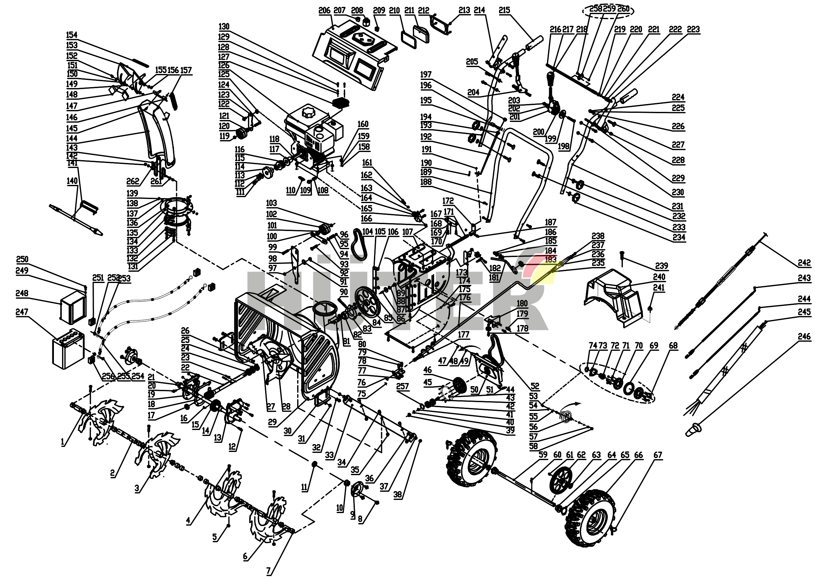
Общий вид ZMD 70/7/7

NАртикулНазваниеСрок отгрузкиЦенаКупить
б/н 61/66/572 Гайка тяги для SGC3000(17) ZME, 8100 ZMD 7-10 дней 122 р.
б/н 61/66/945 Колесо в сборе 14х5.00-6 (правое) для SGC6000 ZMD 7-10 дней 8.078 р.
б/н 61/66/826 Сальник 19х32х7 7-10 дней 243 р.
б/н 61/66/1126 Коробка для SGC6000 890х685х650 ZMD 7-10 дней 5.666 р.
3 61/66/8 Правый шнек для SGC6000,8100(3),6000CD,11000CD(6)ZMD, 4100(169),4800(156),6000(74),8100(172) 7-10 дней 1.844 р.
6 61/66/121 Левый шнек для SGC6000,8100(6),6000CD,11000CD(3) ZMD, 4100(162),4800(158),8100(171),8100C(85) 7-10 дней 1.844 р.
7 61/66/40 Втулка вала для SGC4100,4800,8100(A12) KC, 6000(62),8100(156),8100C(71) ZME, 8100(7) ZMD 7-10 дней 1.818 р.
9 61/66/38 Корпус подшипника SGC6000,8100(9),6000CD,11000(9) ZMD,4800(169),8100(168),8100C(79),4100(52) GPW 7-10 дней 333 р.
10 61/66/37 Втулка SGC6000,8100(10),6000CD,11000CD(10) ZMD,4000(65),4100(165),8100(167),8100C(77) 7-10 дней 304 р.
13 61/66/772 Левая половина корпуса редуктора для SGC4000(17),4100,4800,8100(13) ZMD, 4100(64) GPWY 7-10 дней 1.964 р.
17 61/66/42 Подшипник 16001 Z 7-10 дней 686 р.
18 61/66/824 Прокладка редуктора для SGC8100(18), 6000CD, 11000CD(18) ZMD, SGC4100(72) GPW 7-10 дней 486 р.
19 61/66/774 Правая половина корпуса редуктора для SGC4000(11),4100,4800(13),8100(19),6000CD,11000CD(19) ZMD 7-10 дней 1.940 р.
21 61/66/939 Выходной вал для SGC6000(21) ZMD 7-10 дней 2.303 р.
22 61/66/758 Приводной вал червячного редуктора для SGC4100,SGC4800(20),8100(22) ZMD 7-10 дней 2.425 р.
23 61/66/45 Пружинный штифт D=6мм L=30мм 7-10 дней 304 р.
24 61/66/43 Подшипник 6904 Z 7-10 дней 1.476 р.
25 61/66/41 Подшипник упорный 51104 7-10 дней 296 р.
26 61/64/111 Сальник 20х35х7 7-10 дней 433 р.
28 61/66/51 Измельчитель SGC4100(185),4800(135),6000(52),8100(149),8100C(56) ZME,4100,4800(26),6000(28) ZMD 7-10 дней 2.250 р.
30 61/66/815 Направляющие салазки для SGC 4000 (35) ZMD 7-10 дней 910 р.
33 61/66/940 Нижняя пластина снегозаборника для SGC6000(33) ZMD 7-10 дней 1.197 р.
41-46, 257 61/66/763 Колесо синхр.привода в сборе для SGC4000(101-105),4100,4800(45) ZMD, SGC4100(131-133,142-144) GPWY 7-10 дней 4.605 р.
46 61/66/1193 Колесо синхронизации привода для SGC4000(105),4100,4800(45),6000(46),8100(47),6000CD,11000CD(48) ZMD 7-10 дней 2.182 р.
49 61/66/941 Втулка панели крепления колеса для SGC6000(49) ZMD 7-10 дней 432 р.
50 61/66/831 Панель крепления колеса для SGC6000(50), 8100(51), 6000CD, 11000CD(52) ZMD 7-10 дней 4.269 р.
51 61/66/130 Пружина 1.6х9х43 мм для SGC6000(51),8100(52),6000CD,11000CD(53) ZMD, 4100(112),4800(98),8100(70) ZME 7-10 дней 726 р.
52 61/66/7 Ремень зубчатый НTD5M750 для SGC4000(23),4100(87),4800(74),SGC 4100S (21)ZME, 4000(39),4100,4800(46) 7-10 дней 2.152 р.
55 61/66/463 Подшипник 6203 закрытый с желобом 7-10 дней 1.929 р.
59 61/66/942 Колесная ось для SGC6000(59) ZMD 7-10 дней 2.263 р.
60 61/66/897 Пружинный штифт D=5мм L=30мм для SGC6000(60) ZMD,SGC4100(163) GPWY 7-10 дней 304 р.
64 61/66/293 Втулка для SGC4100(32) ZME, 8100(65) ZMD 7-10 дней 1.212 р.
65 61/66/532 Стопорное кольцо наружное D=18 mm 7-10 дней 85 р.
66 61/66/944 Колесо в сборе 14х5.00-6 (левое) для SGC6000 ZMD 7-10 дней 7.938 р.
69 61/66/13 Резиновое кольцо для 4000(50),4100(95),4800(84),8100(183),C(87),6000(69),4100S(72)ZME 7-10 дней 2.336 р.
73 61/66/829 Подшипник 6007 RS с крышкой шкива для SGC8100(74-75),6000CD,11000CD(67) ZMD, 4100S(165,166) GPW 7-10 дней 1.212 р.
74 61/85/381 Стопорное кольцо наружное D=32 mm 7-10 дней 142 р.
78 61/66/947 Кронштейн рычага поворота снегоотводной трубы (упорный) для SGC6000(78) ZMD 7-10 дней 1.212 р.
82 61/66/36 Подшипник UC204 7-10 дней 1.476 р.
83 61/66/35 КрышкаподшипникадляSGC6000(83),8100(96),6000CD,11000CD(90)ZMD, 4100(138),4800(A40),8100(А43) 7-10 дней 122 р.
90 61/66/949 Пружина 1.3х10х80 мм натяжителя для SGC6000(90), 6000CD,11000CD(99) ZMD 7-10 дней 203 р.
98 61/66/950 Натяжная пластина (широкая) для SGC6000(98) ZMD 7-10 дней 405 р.
100 61/66/750 Натяжная пластина (узкая) для SGC4100,SGC4800(87) ZMD 7-10 дней 668 р.
101 61/66/846 Втулка натяжного ролика для SGC8100(113),6000CD,11000CD(109) ZMD 7-10 дней 922 р.
102 61/66/847 Натяжной ролик клиноременной передачи для SGC8100(114),6000CD,11000CD(110) ZMD, 4100(85-87) GPW 7-10 дней 365 р.
104 61/66/770 Ремень клиновой V13x870,4LXP 12830 для SGC4100, 4800(91) ZMD, 4100(28) GPW 7-10 дней 2.545 р.
105 61/66/849 Проставка для SGC8100(117) ZMD 7-10 дней 576 р.
108 61/66/850 Кронштейн пружины для SGC8100(120) ZMD 7-10 дней 219 р.
110 61/66/851 Пружина 1.3х9.4х44 мм натяжного ролика для SGC8100(122),6000CD,11000CD(299) ZMD 7-10 дней 728 р.
115 61/66/951 Кольцо проставочное SGC6000(115),6000CD,11000CD(88) ZMD 7-10 дней 342 р.
117 61/66/952 Проставка шкива для SGC6000(117) ZMD 7-10 дней 683 р.
120 61/66/746 Натяжной ролик для SGC4000(77,118),4100,4800(107),8100(132),6000CD,11000CD(138) ZMD 7-10 дней 344 р.
121 61/66/953 Втулка натяжного ролика для SGC6000(121),6000CD,11000CD(139) ZMD 7-10 дней 342 р.
123 61/66/764 Кронштейн натяжного ролика для SGC4000(121),4100,4800(110),8100(135),6000CD,11000CD(141) ZMD 7-10 дней 425 р.
125 61/66/954 Втулка опорная для SGC6000(125) ZMD 7-10 дней 1.229 р.
131-133,135-139 61/66/775 Пластина крепления желоба снегоотводной трубы в сборе SGC4000(84-87,91),4100,4800(118-120,122) ZMD 7-10 дней 726 р.
134 61/66/446 Прокладка основания снегоотводной трубы для SGC4100(46.1) GPW, 8100(142),6000CD,11000CD(148) ZMD 7-10 дней 486 р.
141 61/66/857 Крепление лопатки для SGC8100(149),6000CD,11000CD(155) ZMD 7-10 дней 1.455 р.
142-157,261-262 61/66/955 Снегоотводная труба в сборе SGC6000(142-157,261-262) ZMD 7-10 дней 2.390 р.
163,178,182 61/66/120 Направляющий ролик для SGC6000CD,11000CD(179), 8100(183,186) ZMD,3000(8) 4000(17),4100(47;53) ZME 7-10 дней 390 р.
164 61/66/499 Кронштейн направляющего ролика для SGC4100(116) GPWY, SGC4000(16) 7-10 дней 65 р.
167 61/66/296 Кронштейн механизма передачи вращения SGC4000(8),4100(103) ZME, 4100(119.1) GPWY, 8100(174) ZMD 7-10 дней 405 р.
171 61/66/918 Механизм передачи вращения для SGC4100(115) GPW, 6000-8100(171) с ZMD029 7-10 дней 809 р.
172 61/66/861 Соединитель для SGC8100(179),6000CD,11000CD(187) ZMD, 6000-8100(172) с ZMD029 7-10 дней 566 р.
173 61/66/958 Кронштейн шкива для SGC6000(173) ZMD 7-10 дней 1.212 р.
174 61/66/744 Поддон для SGC4100,SGC4800(157) ZMD 7-10 дней 1.334 р.
176 61/66/960 Рычаг поворота снегоотводной трубы для SGC6000(176) ZMD 7-10 дней 2.606 р.
180 61/66/864 Кронштейн шкива для SGC8100(185) ZMD 7-10 дней 1.212 р.
181 61/66/959 Кронштейн рычага поворота снегоотводной трубы (верхний) для SGC6000(181) ZMD 7-10 дней 1.212 р.
183 61/66/957 Втулка резиновая для SGC6000(183) ZMD 7-10 дней 971 р.
189 61/66/866 Нижняя ручка для SGC8100(194),6000CD,11000CD(201) ZMD 7-10 дней 1.575 р.
193 61/66/868 Верхняя правая ручка для SGC8100(198) ZMD 7-10 дней 1.717 р.
195 61/66/956 Пружина 0.6х10х13 мм соединителя тяги SGC6000(195) ZMD 7-10 дней 316 р.
196 61/66/979 Соединитель тяги для SGC6000(196) ZMD 7-10 дней 1.212 р.
201 61/66/818 Ручка наклона снегоотводной трубы для SGC8100(206),6000CD,11000CD(213) ZMD 7-10 дней 2.930 р.
202 61/66/869 Пружина 2х15х36 мм для SGC8100(207),6000CD,11000CD(214) ZMD 7-10 дней 1.818 р.
204 61/66/819 Ручка переключения передач для SGC8100(209),6000CD,11000CD(216) ZMD 7-10 дней 1.281 р.
206 61/66/870 Панель для SGC8100(211) ZMD 7-10 дней 11.270 р.
207 61/71/44 Выключатель 6А КСД1 7-10 дней 101 р.
210 61/66/871 Прокладка фары для SGC8100(214) ZMD 7-10 дней 566 р.
212 61/66/872 Крепление фары для SGC8100(216) ZMD 7-10 дней 566 р.
214 61/66/873 Ручка привода колес для SGC8100(218) ZMD 7-10 дней 1.131 р.
215 61/66/964 Ручка с подогревом для SGC6000(215) ZMD 7-10 дней 3.939 р.
216 61/66/874 Вал фиксатора ручек для SGC8100(220) ZMD 7-10 дней 910 р.
217 61/66/875 Пружина 1.2х16х53 мм фиксатора ручек для SGC8100(221) ZMD 7-10 дней 122 р.
218 61/66/418 Резиновая ручка для SGC8100(222),6000CD,11000CD(230) ZMD, 6000,8100C(23) 7-10 дней 606 р.
220 61/66/876 Пружина 0.6х7х32 мм фиксатора ручек для SGC8100(224) ZMD, SGC8100,SGC8100С(3) ZME 7-10 дней 122 р.
222 61/66/878 Наконечник фиксатора ручек для SGC8100(226) ZMD 7-10 дней 566 р.
223 61/66/879 Ручка привода шнеков для SGC8100(227),6000CD,11000CD(238) ZMD 7-10 дней 1.131 р.
231 61/66/880 Верхняя левая ручка для SGC8100(235) ZMD 7-10 дней 1.717 р.
234 61/66/766 Пластиковый вентиль для SGC4000(164),8100(238),6000CD,11000CD(250) ZMD 7-10 дней 495 р.
236 61/66/762 Рукоятка рычага поворота снегоотводной трубы для SGC4100,4800(197),8100(240),6000CD,11000CD(85) ZMD 7-10 дней 1.273 р.
240 61/66/756 Кожух ременной передачидля SGC4100, SGC4800, SGC4800E(201) ZMD 7-10 дней 788 р.
247 61/66/754 Аккумулятор для SGC4800(217) ZMD 7-10 дней 5.346 р.
248 61/66/755 Кожух аккумулятора для SGC4800(218) ZMD 7-10 дней 566 р.
257 61/66/885 Стопорное кольцо внутреннее d=46 mm 7-10 дней 365 р.
259 61/66/886 Кронштейн фиксатора ручек для SGC8100(253) ZMD 7-10 дней 365 р.
Найдено товаров: 97
1
▲ Наверх
0
8 (925) 663-83-63

Call-центр

пн-вс: 10:00-19:00

НАЙТИ ПО МОДЕЛИ
Введите номер заказа
Введите номер своего заказа, что бы узнать его текущий статус.
Что бы получить доступ к расширенным функциям, пройдите не сложную регистрацию. Зарегистрироваться